В этом материале расскажем более подробно, как выполнить кондиционирование помещений в том случае, если основным источником холода и тепла является грунтовой тепловой насос (далее ТН). В других наших статьях мы уже рассматривали классификации ТН, особенности типов Воздух-Вода и Грунт-Вода, освещали основные принципы работы теплового насоса. Рассмотрим процесс охлаждения тепловым насосом в помещении на примере выполненного объекта.
Пассивное охлаждение тепловым насосом с грунтовым контуром
Практически любой ТН может работать в реверсивном режиме, то есть не только на отопление, но и на охлаждение. ТН с грунтовым контуром, в отличие от типа ТН Воздух-Вода или кондиционеров, имеет возможность организовать цикл охлаждения совершенно по-другому. Отличие будет состоять в том, что источником холода может служить грунт, в который погружены зонды ТН. Температура грунта даже летом на глубине 10-20 метров составляет от +9°С до +13°С и эту прохладу можно извлечь и пустить в дело, что мы и сделали в показанной ниже схеме. Она называется пассивным охлаждением.
Пример реализации системы отопления и кондиционирования тепловым насосом
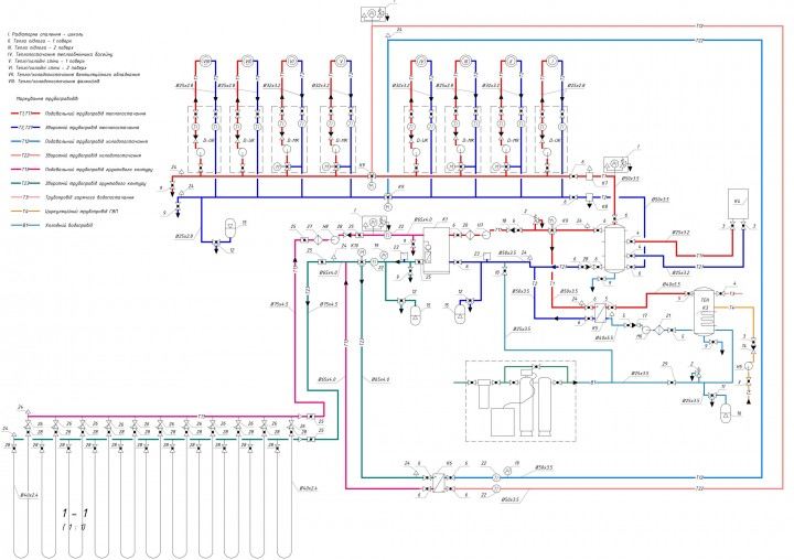
На одном из наших объектов в Киевской области была реализована система отопления и пассивного охлаждения крупного коттеджа грунтовым тепловым насосом Ochsner Terra 40 мощностью Qт=40кВт. Принципиальная схема всей системы отопления ниже под номером 1.Основная фишка системы в том, что для производства холода не требуется работа компрессора. В этой системе задействованы только циркуляционные насосы, пропускающие через грунтовый контур рассол, получая на выходе из скважины холодную жидкость, которой и охлаждается весь дом. Конечно, если холод создается обычным термодинамическим циклом кондиционера, то температура охлаждающей жидкости (фреона) будет ниже на несколько градусов, чем температура жидкости, получаемой из скважины. Например, температура фреона в испарителе ТН будет равняться 6°С , а температура охлажденного рассола, выходящего из скважины, будет составлять 11-14°С .
Схема №1
Схема №2
Для сравнения на схеме №2 показано как выполняется охлаждение тепловым насосом в случае обычного реверсивного цикла: компрессор тут неизбежно задействован в том и в другом режиме, режим меняется только четырехходовым клапаном. То есть в первом случае, на схеме №1 в силу отсутствия необходимости работы компрессора получится существенная экономия на электроэнергии.
Особенности источника холода и тепла на данном доме заставили нас пересмотреть логику выбора и расстановки приборов отопления и охлаждения. Для отопления дома выбраны как основной источник тепла теплые полы и теплые стены. В режиме же охлаждения практически все комнаты будут охлаждаться холодными стенами.
Технология укладки теплых-холодных стен уже давно и хорошо отработана и представляет собой укладку специальных труб диаметром 10 мм, сверху оштукатуриваемые. Такая схема дает определенные преимущества по сравнению с использованием внутрипольных конвекторов или фанкойлов с функцией отопления-охлаждения. При использовании системы холодных стен климат в помещении получается наиболее комфортным.
Преимущества использования системы «холодных стен» в связке с ТН
- В такой систем кондиционирования отсутствуют фильтры, следовательно отсутствует и накопление пыли или аллергенов в них.
- Система полностью бесшумна – в ней нет движущихся частей.
- Система практически не меняет относительную влажность в помещении, так как конденсат на таких стенах не осаждается.
- Отсутствуют потоки холодного воздуха, как в случае с настенными блоками кондиционеров, нет ощущения сквозняка. В целом ощущение от пребывания в таком помещении будет напоминать нахождение в прохладной пещере с максимально комфортными условиями. Регулировать температуру в каждом помещении можно индивидуально по данным датчика температуры и влажности.
Тепловой насос для отопления и кондиционирования — это лучший вариант, если сравнивать его с использованием газового котла либо же твердотопливной системы отопления.
Если Вас заинтересовала подобная технология, Закажите консультацию или звоните по тел. (067) 939-29-29, чтобы посоветоваться с нашим специалистом





